Many
Manuals
search
Kategorien
Marken
Startseite
Sharp
Kamerarekorder
VL-AH150
Wartungshandbuch
Sharp VL-AH150 Wartungshandbuch Seite 53
Herunterladen
Teilen
Teilen
Zu meinen Handbüchern hinzufügen
Drucken
Seite
/
92
Inhaltsverzeichnis
LESEZEICHEN
Bewertet
.
/ 5. Basierend auf
Kundenbewertungen
1
2
3
4
5
6
7
8
9
10
11
12
13
14
15
16
17
18
19
20
21
22
23
24
25
26
27
28
29
30
31
32
33
34
35
36
37
38
39
40
41
42
43
44
45
46
47
48
49
50
51
52
53
54
55
56
57
58
59
60
61
62
63
64
65
66
67
68
69
70
71
72
73
74
75
76
77
78
79
80
81
82
83
84
85
86
87
88
89
90
91
92
VL-AH150U
VL-AH160U
123456789
1
0
11
12
13
14
15
16
17
18
19
20
A
B
C
D
E
F
G
H
I
J
62~63
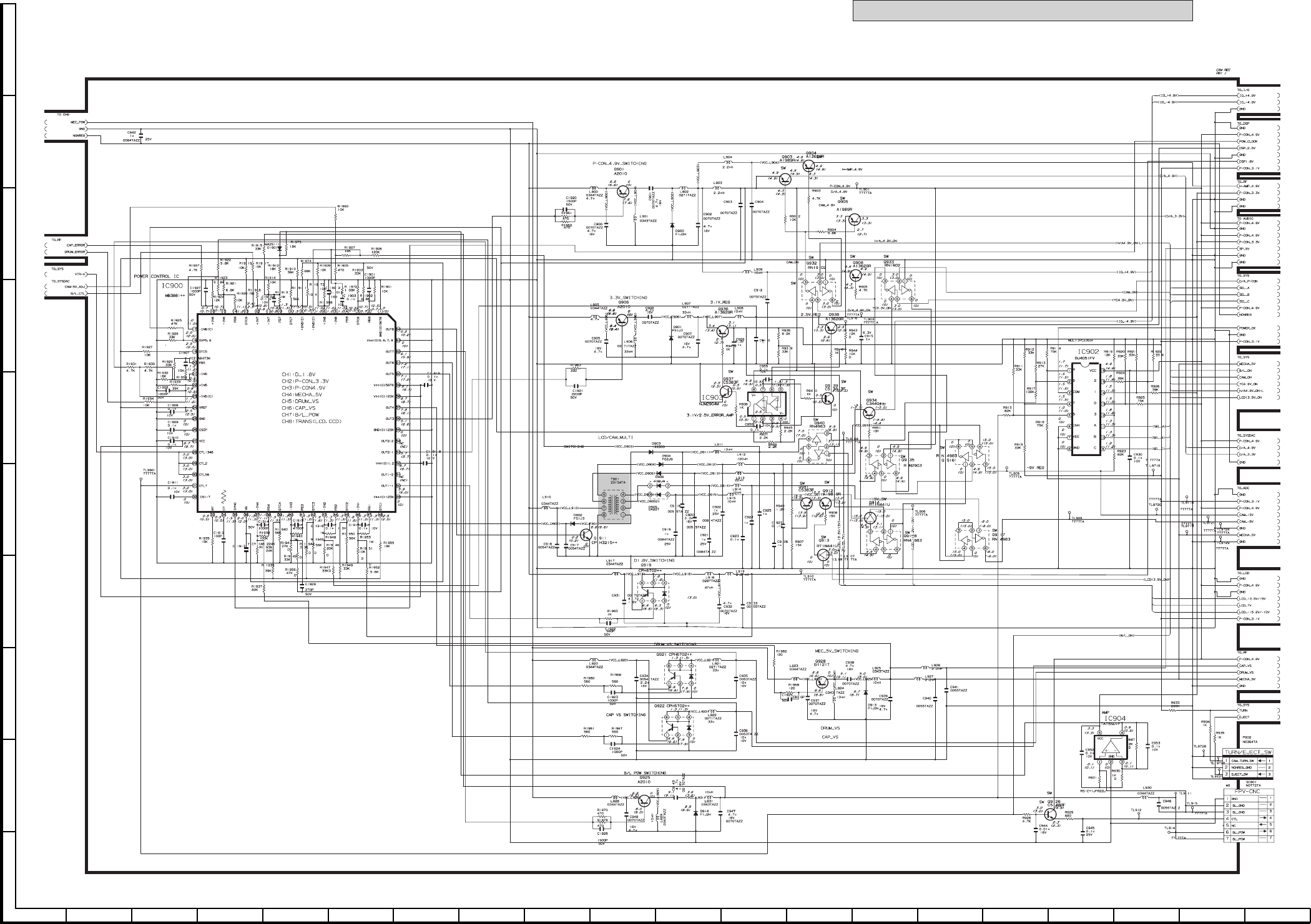
8-10. POWER SCHEMATIC DIAGRAM
å
AND SHADED COMPONENTS=SAFETY RELATED PARTS
å
1
2
...
48
49
50
51
52
53
54
55
56
57
58
...
91
92
SERVICE MANUAL
1
1. IMPORTANT SERVICE NOTES
2
ATTENTION
3
CAUTION
4
2. SPECIFICATIONS
5
3. PART NAMES AND FUNCTION
6
4. DISASSEMBLY OF THE SET
7
LZ2413H5
12
5. MECHANISM ADJUSTMENT
13
5-2-2. Notes and cautions
14
Reel support surface
15
Rise waveform
17
REV OK Playback
17
REV NG Playback
17
5-4-4. Adjusting the Tu guide
18
5-5-1. Mechanism modes
19
5-5-2. Cassette control ass’y
20
5-5-4. Drum and Drum base
20
5-5-5. Phase matching
21
Insert the part in the rail
22
6-1. INITIAL SETTING OF E
24
6-3-2-1. Typical connections
25
<Extension Cable etc.>
25
0000 00
26
6-3-3-1. Adjusting the power
28
circuit
28
Standard value
29
6-4-2. Adjustment procedures
32
286mVp-p
33
6-5. TROUBLE SHOOTING
35
6-5-3. Charging mode troubles
36
7. SYSTEM BLOCK DIAGRAMS
37
VL-AH150U
38
VL-AH160U
38
ADD 43, 44, 45, 46
39
ADD 3F, 40, 41, 42
39
7-5. LENS DRIVE BLOCK DIAGRAM
42
- M E M O
43
RUNTZ0404TAZZ
44
(VL-AH160U)
44
(VL-AH150U/UC)
44
8-3. ZOOM SCHEMATIC DIAGRAM
46
8-4. DSP SCHEMATIC DIAGRAM
47
8-5. AUDIO SCHEMATIC DIAGRAM
48
8-6. SYSCON SCHEMATIC DIAGRAM
49
8-10. POWER SCHEMATIC DIAGRAM
53
8-11. I/O SCHEMATIC DIAGRAM
54
8-14. RF SCHEMATIC DIAGRAM
57
8-15. TG SCHEMATIC DIAGRAM
58
8-16. CDS SCHEMATIC DIAGRAM
59
8-17. LDRV SCHEMATIC DIAGRAM
60
8-20. CCD SCHEMATIC DIAGRAM
63
VCR PWB Wiring Side SIDE A
65
VCR PWB Wiring Side SIDE B
67
10. REPLACEMENT PARTS LIST/
75
EXPLODED VIEWS
75
PACKAGED CIRCUITS
76
COILS AND TRANSFORMER
76
CAPACITORS
77
RESISTORS
79
MECHANISM PARTS
85
CABINET PARTS LIST
86
(NOT REPLACEMENT ITEM)
87
CABINET EXPLODED VIEW
89
11. PACKING OF THE SET
91
ALL RIGHTS RESERVED
92
Kommentare zu diesen Handbüchern
Keine Kommentare
Publish
Verwandte Produkte und Handbücher für Kamerarekorder Sharp VL-AH150
Kamerarekorder Sharp VL-MC500U Wartungshandbuch
(116 Seiten)
Kamerarekorder Sharp ViewCam VL-NZ100U Spezifikationen
(112 Seiten)
Kamerarekorder Sharp OZ-640 Bedienungsanleitung
(2 Seiten)
Kamerarekorder Sharp VN-EZ1U Wartungshandbuch
(58 Seiten)
Kamerarekorder Sharp Viewcam VN-EZ1U Spezifikationen
(42 Seiten)
Kamerarekorder Sharp VL-WD250S Wartungshandbuch
(139 Seiten)
Kamerarekorder Sharp VL-A10U Wartungshandbuch
(97 Seiten)
Kamerarekorder Sharp VL-C650S Wartungshandbuch
(148 Seiten)
Kamerarekorder Sharp VL-AX1U Wartungshandbuch
(117 Seiten)
Kamerarekorder Sharp VN-EZ1U Bedienungsanleitung
(14 Seiten)
Kamerarekorder Sharp VL-NZ50U Wartungshandbuch
(124 Seiten)
Kamerarekorder Sharp VL-A111S Wartungshandbuch
(96 Seiten)
Kamerarekorder Sharp VL-NZ50U - MiniDV Compact Digital Viewcam Spezifikationen
(84 Seiten)
Kamerarekorder Sharp VL-AH131E Spezifikationen
(72 Seiten)
Kamerarekorder Sharp R-520E Spezifikationen
(136 Seiten)
Kamerarekorder Sharp VL-WD450U Spezifikationen
(120 Seiten)
Kamerarekorder Sharp VIEWCAM VL-A10H Spezifikationen
(63 Seiten)
Kamerarekorder Sharp VL-C650S Wartungshandbuch
(112 Seiten)
Kamerarekorder Sharp VN-EZ1U Spezifikationen
(49 Seiten)
Kamerarekorder Sharp VL-Z1U Wartungshandbuch
(129 Seiten)
Dokument drucken
Seite drucken 53
Kommentare zu diesen Handbüchern