Many
Manuals
search
Kategorien
Marken
Startseite
Sharp
Kamerarekorder
VL-AX1U
Wartungshandbuch
Sharp VL-AX1U Wartungshandbuch Seite 67
Herunterladen
Teilen
Teilen
Zu meinen Handbüchern hinzufügen
Drucken
Seite
/
117
Inhaltsverzeichnis
LESEZEICHEN
Bewertet
.
/ 5. Basierend auf
Kundenbewertungen
1
2
3
4
5
6
7
8
9
10
11
12
13
14
15
16
17
18
19
20
21
22
23
24
25
26
27
28
29
30
31
32
33
34
35
36
37
38
39
40
41
42
43
44
45
46
47
48
49
50
51
52
53
54
55
56
57
58
59
60
61
62
63
64
65
66
67
68
69
70
71
72
73
74
75
76
77
78
79
80
81
82
83
84
85
86
87
88
89
90
91
92
93
94
95
96
97
98
99
100
101
102
103
104
105
106
107
108
109
110
111
112
113
114
115
116
117
123456789
1
0
11
12
13
14
15
16
17
18
19
20
A
B
C
D
E
F
G
H
I
J
VL-AX1U
78~79
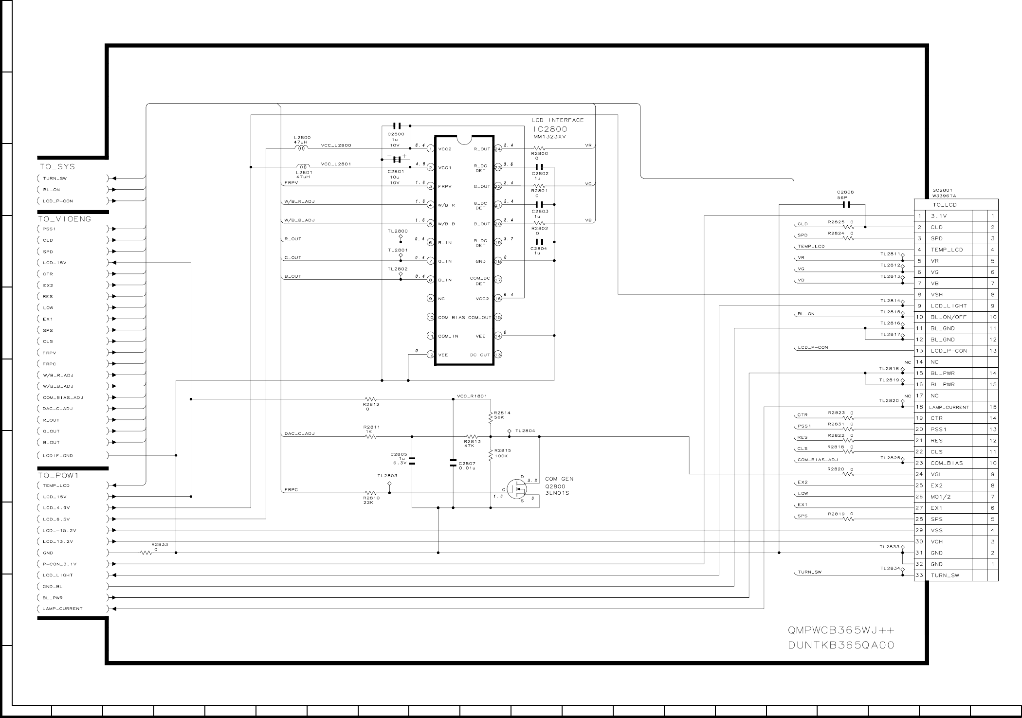
14-12. LCD IF SCHEMATIC DIAGRAM
1
2
...
62
63
64
65
66
67
68
69
70
71
72
...
116
117
SERVICE MANUAL
1
1. IMPORTANT SERVICE NOTES
2
ATTENTION
3
CAUTION
4
2. SPECIFICATIONS
5
3. PART NAMES
6
4. DISASSEMBLY OF THE SET
7
Camera=Main FPC BtoB
8
Lens FPC
8
Focus FPC
8
Lens cabinet
9
(1) Slide caliper
10
(2) Precision screwdrivers
10
(3) Radio needle-nose pliers
10
(4) Tweezers
10
Performance checks
11
6-2. Precautions
11
<Precautions>
12
8. TAPE RUNNING ADJUSTMENT
15
8-4. Running rough adjustment
16
8-5. Final running adjustment
16
(DISASSEMBLY AND REASSEMBLY)
17
9-4. Phase matching
19
(Tentative tightening)
20
Fit the main brake SPR from
21
Swing arm Ass'y
22
Reel cover Ass'y
22
FPC cover
22
9-6. Removing the cassette
23
[Making adjustments]
28
1.0±0.05
30
ADJUSTING THE LCD CIRCUIT
31
VIDEO I/O ENG DAC CIRCUIT
32
2.0Vp-p 0.1Vp-p
34
ADJUSTING THE MIC AMP CIRCUIT
35
MODEL ID SETTING
37
000A Iris offset adjustment
41
100mV/div
42
Picture fails
45
Blueback fails
45
12. SIGNAL FLOW DIAGRAMS
46
12-3. FLOW IN PB MODE (VIDEO)
47
WAVEFORM DIAGRAM
47
(DURING COLOR BAR PLAYBACK)
47
From IC3404
48
PB system
48
13. BLOCK DIAGRAMS
49
CCD CAMERA
50
- M E M O
55
14-4. CMC SCHEMATIC DIAGRAM
59
14-16. DAC SCHEMATIC DIAGRAM
71
14-18. V/F SCHEMATIC DIAGRAM
73
14-22. CCD SCHEMATIC DIAGRAM
77
14-23. TG SCHEMATIC DIAGRAM
78
14-24. CDS SCHEMATIC DIAGRAM
79
14-26. LCD SCHEMATIC DIAGRAM
81
MAIN PWB
85
CAMERA PWB
89
HEAD AMP PWB
92
Component Side SIDE A
92
Wiring Side SIDE A
92
Component Side SIDE B
93
Wiring Side SIDE B
93
17. REPLACEMENT PARTS LIST/
94
EXPLODED VIEWS
94
PACKAGED CIRCUITS
95
COILS AND TRANSFORMER
95
CAPACITORS
95
MISCELLANEOUS PARTS
102
DUNTK3120QA03
103
SUB PWB UNIT
103
RESISTORS
104
DUNTK3121QA01
105
CAMERA PWB UNIT
105
DUNTK3122QA01
106
LCD PWB UNIT
106
MECHANISM PARTS
108
CASSETTE CONTROL PARTS
108
CABINET PARTS LIST
109
CAMERA UNIT PARTS LIST
110
ACCESSORIES
111
CABINET EXPLODED VIEW
113
CASSETTE CONTROL EXPLOOD VIEW
114
CAMERA UNIT EXPLOOD VIEW
114
18. PACKING OF THE SET
116
COPYRIGHT
117
2002 BY SHARP CORPORATION
117
ALL RIGHTS RESERVED
117
Kommentare zu diesen Handbüchern
Keine Kommentare
Publish
Verwandte Produkte und Handbücher für Kamerarekorder Sharp VL-AX1U
Kamerarekorder Sharp VN-EZ1U Bedienungsanleitung
(14 Seiten)
Kamerarekorder Sharp VL-NZ50U Wartungshandbuch
(124 Seiten)
Kamerarekorder Sharp VL-A111S Wartungshandbuch
(96 Seiten)
Kamerarekorder Sharp VL-NZ50U - MiniDV Compact Digital Viewcam Spezifikationen
(84 Seiten)
Kamerarekorder Sharp VL-AH131E Spezifikationen
(72 Seiten)
Kamerarekorder Sharp R-520E Spezifikationen
(136 Seiten)
Kamerarekorder Sharp VL-WD450U Spezifikationen
(120 Seiten)
Kamerarekorder Sharp VIEWCAM VL-A10H Spezifikationen
(63 Seiten)
Kamerarekorder Sharp VL-C650S Wartungshandbuch
(112 Seiten)
Kamerarekorder Sharp VN-EZ1U Spezifikationen
(49 Seiten)
Kamerarekorder Sharp VL-Z1U Wartungshandbuch
(129 Seiten)
Kamerarekorder Sharp VL-A111S Bedienungsanleitung
(67 Seiten)
Kamerarekorder Sharp VL-NZ50S Bedienungsanleitung
(72 Seiten)
Kamerarekorder Sharp VL-AH151S Bedienungsanleitung
(75 Seiten)
Kamerarekorder Sharp VL-AH131S Bedienungsanleitung
(67 Seiten)
Kamerarekorder Sharp VL-NZ100S Bedienungsanleitung
(96 Seiten)
Kamerarekorder Sharp DSR-PD150P Bedienungsanleitung
(172 Seiten)
Kamerarekorder Sharp VL-NZ100S Bedienungsanleitung
(91 Seiten)
Kamerarekorder Sharp VL-AH160U Bedienungsanleitung
(80 Seiten)
Kamerarekorder Sharp VL-AH130U Bedienungsanleitung
(72 Seiten)
Dokument drucken
Seite drucken 67
Kommentare zu diesen Handbüchern