
E-3
ENGLISH
CD-MPX880H
General Information
Controls and indicators
Front panel
Reference page
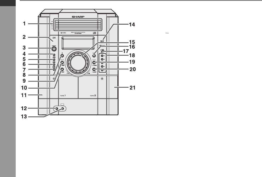
1. Disc Trays . . . . . . . . . . . . . . . . . . . . . . . . . . . . . . . . . . . . . . . 13
2. Timer Indicator . . . . . . . . . . . . . . . . . . . . . . . . . . . . . . . . . . . 35
3. On/Stand-by Button . . . . . . . . . . . . . . . . . . . . . . . . . 10, 12, 22
4. CD Button . . . . . . . . . . . . . . . . . . . . . . . . . . . . . . . . . . . . . . . 12
5. Tape (1 2) Button . . . . . . . . . . . . . . . . . . . . . . . . . . . . . . . 24
6. Tuner (Band) Button . . . . . . . . . . . . . . . . . . . . . . . . . . . . . . 22
7. Audio In Button . . . . . . . . . . . . . . . . . . . . . . . . . . . . . . . . . . 38
8. CD or Tape Stop Button . . . . . . . . . . . . . . . . . . . . . . . . . 14, 25
9. CD Track Down or Fast Reverse, Tape 2 Rewind,
Tuner Preset Down, Time Down Button 11, 14, 23, 24, 25, 34
10. Tuning Down Button. . . . . . . . . . . . . . . . . . . . . . . . . . . . 18, 22
11. Tape 1 Cassette Compartment. . . . . . . . . . . . . . . . . . . . . . . 27
12. Headphone Socket . . . . . . . . . . . . . . . . . . . . . . . . . . . . . . . . 38
13. Audio In Socket . . . . . . . . . . . . . . . . . . . . . . . . . . . . . . . . . . 38
14. Remote Sensor . . . . . . . . . . . . . . . . . . . . . . . . . . . . . . . . . . . . 9
15. Volume Control . . . . . . . . . . . . . . . . . . . . . . . . . . . . . . . . . . . 10
16. CD Play or Repeat, Tape Play Button . . . . . . . . 12, 14, 24, 25
17. Disc Tray Open/Close Button . . . . . . . . . . . . . . . . . . . . . . . 12
18. Disc Number Select Buttons . . . . . . . . . . . . . . . . . . . . . . . . 12
19. CD Track Up or Fast Forward, Tape 2 Fast Forward,
Tuner Preset Up, Time Up Button . . . . . 11, 14, 23, 24, 25, 34
20. Tuning Up Button . . . . . . . . . . . . . . . . . . . . . . . . . . . . . . 18, 22
21. Tape 2 Cassette Compartment . . . . . . . . . . . . . . . . . . . . . . 27
TIMER
CD
4
3
1
5
4
5
3
2
1
PHONES
RECORD/PLAYBACK
PLAYBACK (PLAY & STOP)
2
AUDIO
IN
Kommentare zu diesen Handbüchern