
ABC D E F GH
ABC D E F GH
2
1
3
4
5
6
7
8
2
1
3
4
5
6
7
8
C3827
10010V YK
L3806
15uH
SBPSC
IC3801 AL1010
3.3V CONTROL
1234
5678
CP3807
A2001WV2-11P
1
10
11
2
3
4
5
6
7
8
9
L3801
22uH TSL0808
L3809
6.8uH
RCH8011NP-6R8L
L3804
22uH TSL0808
L3807
10uH
TSL0808
L3810
10uH TSL0808
L3803
22uH TSL0808
L3802
22uH TSL0808
IC3804 PQ070XF01SZH
D2
REGULATOR IC
1234
IC3805 LA7995M-TLM
P.CON32V REG
1
1011121314
234567
89
CP3808
A2001WV2-7P
1
2
3
4
5
6
7
CP3804
A2501WV2-7P
1
2
3
4
5
6
7
CP3803
A2501WV2-12P
1
10
11
12
2
3
4
5
6
7
8
9
:SINCE THESE PARTS MARKED BY
CAUTION
DESCRIBED IN PARTS LIST ONLY
CRITICAL FOR SAFETY,USE ONES
ARE
DANS LA NOMENCLATURE DES PIECES
N’UTILISER QUE CELLS DECRITES
DANGEREUSES AN POINT DE VUE SECURITE
:LES PIECES REPAREES PAR UN ETANT
ATTENTION
CP3802
A2501WV2-2P
1
2
CP3801
A2501WV2-4P
1
2
3
4
Q3813 RSS050P03
SWITCHING
1234
5678
W845 W804 W807
W858
W859
W801
W842
W947
W942
C3850
4706.3V MHE
C3852
4706.3V MHE
C3826
82025V FM
C3825
82025V FM
C3810
100016V FM
C3803
100016V FM
C3818
68016V FM
C3820
10006.3V
FM
C3805
10006.3V
YK
C3834
4.750V V-S
C3837
4.750V V-S
C3802
100016V FM
C3801
100016V FM
C3806
100P CH
C3807
0.1 B
C3812
0.01 B
C3811
27PCH
C3808
0.047 B
C3809
0.1 B
C3828
0.01 B
C3836
0.22 MMTS
C3831
150P
CH
C3804
0.001 B
C3835
0.22 MMTS
C3829
0.22 MMTS
C3830
0.22 MMTS
C3832
0.22 MMTS
C3833
0.22 MMTS
OF PRINTING AND SUBJECT TO CHANGE WITHOUT NOTICE
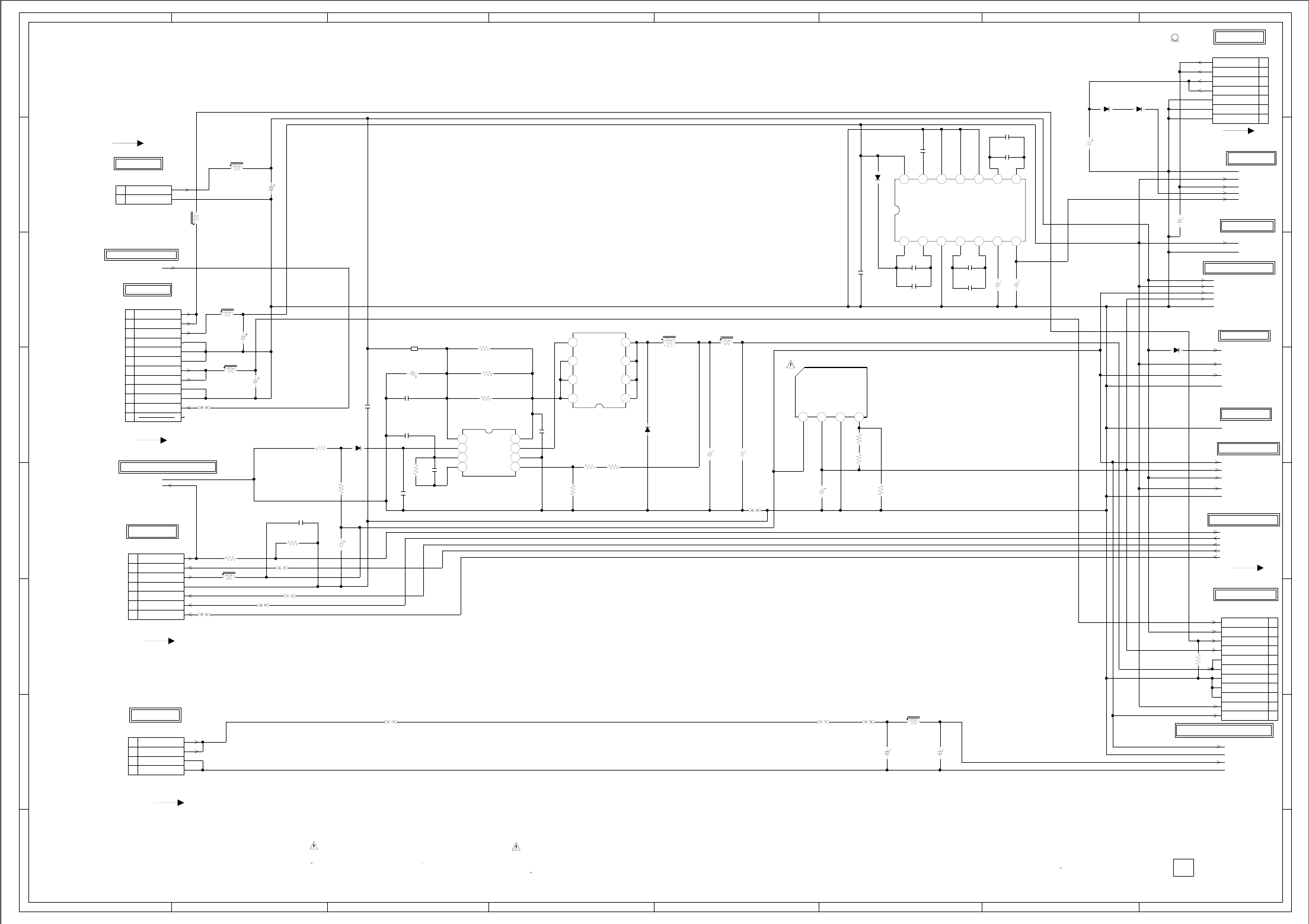
NOTE:THIS SCHEMATIC DIAGRAM IS THE LATEST AT THE TIME
WAS RECEIVED IN GOOD CONDITION AND PICTURE IS NORMAL.
WITH THE DIGITAL TESTER WHEN THE COLOR BROADCAST
NOTE:THE DC VOLTAGE AT EACH PART WAS MEASURED
R3835
22K
R3814
0.047 1/10W+-1%
R3815
0.047 1/10W+-1%
R3816
0.047 1/10W+-1%
R3819
680
+-1%
R3818
1.8K
+-1%
R3817
1K
+-1%
R3811
56K
R3801
2.2K
R3813
33K
R3809
22K
R3805
4.7K
R3831
15K
R3834
22K
R3807
3.9K
B3801
W5RH3.5X5X1.0
D3802
SR240-F
D3801
1SS133
D3805
1H3-E
D3804
1H3-E
D3812
EC31QS04
D3811
EC31QS04
CD3806
CU273702
CD3803
CU1C4201
CD3805
CU144706
CD3804
CU173701
CD3807
CU2B5501
CD3802
CU123701
TR508
W5T29X7.5X19
GND
P.CON+5V
UNREG+5V
UNREG+4V
P.CON+32V
P.CON+5V
GND
STANDBY_LED
P.CON+9V
P.CON+5V
AT+5V
AT+3.3V
GND
P.CON+8V
P.CON+5V
AT+5V
GND
GND
AT+5V
AT+3.3V
P.CON+9V
GND
ACD
P.CON+5V
GND
PSU_ACD/P.FAIL
PSU_5VD/DSR/LIGHT_CTL
VS_ON/LCDON
RLY_ON/LCD-H
POWER_ON-H
AT+5V
P.CON+12V
P.CON+9V
AT+3.3V
P.CON+3.8V
GND
AT+5V
AT+5V
GND
SOUND+B
SOUND_GND
H-12
H-11
PCBD20
CMF090
(AV PCB)
POWER SCHEMATIC DIAGRAM
V_ADJGND
1.203.35.0
FROM/TO POWER3
FROM/TO POWER3
(CP509)
GND
9VSC
FROM/TO AV JACK2
FROM/TO TUNER/OUT JACK
(CP508)
NC
FROM/TO TUNER/OUT JACK
SOUND GND
SOUND GND
FROM/TO POWER3
SOUND+B
SOUND+B
(CP512)
FROM/TO SOUND AMP/HEADPHONE AMP
FROM/TO AV JACK
8.8
8.9
4.5
8.9
3.8
3.8
3.8
3.8
8.8
8.8
8.8
8.8
SOURCE
SOURCE
SOURCE DRAIN
DRAIN
DRAIN
DRAINGATE
FROM/TO POWER3
1.2
0
1.2
1.2
FB
GND
EXT
CS
CC
Vref/SS
V5/PWON
VIN
AT+3.3V
P.CON+5V
P.CON+9V
P.CON+12V
P.CON+3.8V
P.CON+3.8V
FROM/TO STEREO
(CP3201)
0 30.630.99.517.05.19.4
33.717.80004.25.0
CP3 CP3NCNCNCCOSCCVCC
COUTCREGCP2CP2GNDCP1CP1
GND
GND
AT+5V
GND
P.CON+5V
GND
VS ON/LCDON
12VSC
12VSC
5VSC
5VSC
GND
GND
GND
GND
GND
5VSC
NC/ST_BY_H
IN OUT
DTV UNREG+5V
DTV UNREG+5V
DTV UNREG+4V
DTV UNREG+4V
GND
GND
GND
FROM/TO POWER3
FROM/TO TUNER
FROM/TO AV SWITCH2
FROM/TO TUNER/OUT JACK
FROM/TO REGULATOR
(CP510)
FROM/TO SOUND AMP/HEADPHONE AMP
(CP506)
POWER_FAIL
LIGHT_CTL
POWER_ON_H
AT+5V
LCD-H
Kommentare zu diesen Handbüchern