
HT-DP2500W
– 28 –
FL1 VVKBT211GK/-1: FL Display
Figure 28-2 FL SEGMENT
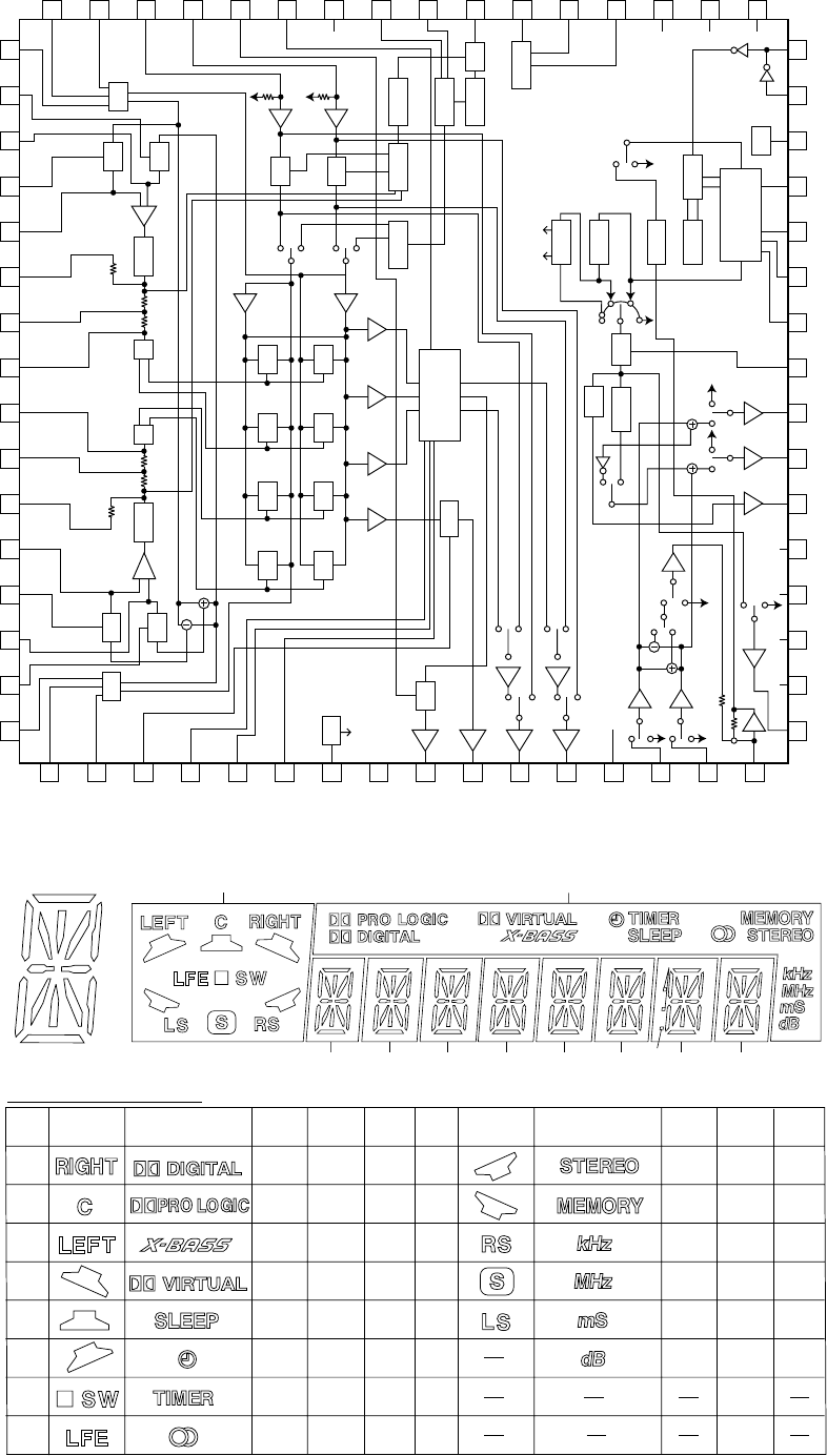
IC452 VHiLV1035M/-1: Dolby Pro Logic Decorder (LV1035M)
Figure 28-1 BLOCK DIAGRAM OF IC
10G
9G
1G2G3G4G5G6G7G8G
ANODE CONNECTION
Dp
col
P1
10G 9G 2G
aaa ccc
eee
rrr
ppp
nnn
ddd
Dp
col
hhh
jjj
kkk
bbb
fff
mmm
ggg
1G8G~3G
P2
P3
P4
P5
P6
P7
P8
P9
10G
9G
2G
1G8G~3G
P10
P11
P12
P13
P14
P15
P16
a
b
c
d
f
g
m
e
r
p
n
h
j
k
(8G~1G)
123456789
10 11 12
LR
S
RL
LRSC
S
L
R
S
13 14 15 16
48
L-BPF2 L-BPF1 RT-IN LT-IN
DC-
OUT
C-
MODE
GND
NS-
BPF1
NS-
BPF2
OSC
CLK
DATA
ENABLE
DATA
CLK
VSS
R-BPF2
R-BPF1
BPF RECT
RECT
S-DC-
OUT
C-DC-
OUT
R-DC-
OUT
L-DC-
OUT
VREF
VREF
CIRIM
SW6
A
B
B
A
A
B
A
B
A
B
SW5
SW7
B
20kΩ
20kΩ
A
SW7
B
B
B
B
A
B
A
S
C
D
A
A
A
B
A
B
SW7
SW7
SW4
SW2
SW2
A
B
A
B
A
B
SW7
SW7
23PIN
15PIN
SW7
SW7
SW7
SW4
SW3
13P IN
VCC
C-OUT
S-OUT
R-OUT
L-OUT
AC-GND
L-IN
R-IN S-IN
OSC
OSC
VDD
A/D
NS
D/A
DC-OUT
DC-OUT
L-OUT
R-OUT
S-OUT
GND
IREF
DET
VCC
DELAY-OUT
L-BPF3
DC-OUT3
R-RECT
DC-OUT4
L-RECT
VLR-TH
VLR-1
VLR-2
VCR-2
VCR-1
VCR-TH
L+R-RECT
DC-OUT2
L-R-RECT
DC-OUT1
R-BPF3
47 46 45 44 43 42 41 40 39 38 37 36 35 34 33
17
32
31
30
29
28
27
26
25
24
23
22
21
20
19
18
64
49
50
51
52
53
54
55
56
57
58
59
60
61
62
63
BPF
RECT
RECT
LR
LOGDIFFLOGDIFFVCS
OSC
VDD
DC-OUT
VOLMUTE
STRIM
B-NR
ADM
C-MODE
S-MODE
VCA
VCA
VCA
VCA
VCA
VCA
VCA
VCA
VOL
DEV
BFL-CONT
NOISE-FIL
DATA-DEC
ADM-CONT
S-RAM
IN-FILTER
OUT-FILTER
NOISE-GEN
CH-CONT
VOL
LR
LR
PG
PG
S
Kommentare zu diesen Handbüchern