
39
VL-A111S/H/E/AH131S/H/E
VL-AH151S/H/E
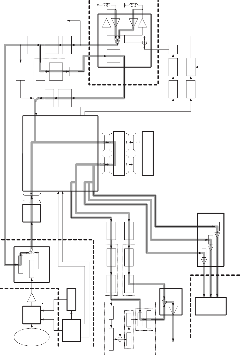
6-2-4. PLAY BACK SIGNAL FLOW (VL-AH151)
LENS
TIMING
GENERATOR
PANEL
Y-FILTER
BUFFER
CCD
SENSOR
V-DRIVER
C-FILTER
FILTER EQ
MIX AMP
BUFFER
AUDIO
TRAP
EQ
FILTER
C-TRAP
PEAKING
AMP
PEAKING
AMP
FILTER
HEAD AMP
RF
AGC
C-TRAP
CDS AGC / ACC
CDS_AGC
ACC_AMP
HPF
LIMITER
ATT
NOISE CANCEL
BLOCK
LPF
AMP
BUFFER
VIDEO DRIVER
TO AUDIO/
SYSTEM CONTROL
FROM AUDIO
IC1
4
6, 7
Q1
IC101
25,
26
32
8
40, 42
IC12
IC11 3, 5, 17, 18
27
36
CCD14CK
CCD9CK
39
8
7
117
124
107
115
103
Y_OUT
C_OUT
R_OUT
G_OUT
B_OUT
IC151
IC401
Q1402
Q1404/Q1406
Q1401
Q1403
Q2405Q2402/Q2403
Q2407
Q2401
IC1451
SC-IN
SY-IN
18
VIDEO-OUT
5
67
8
IC800
BUFFER
24
22
20
LCD_VR
LCD_VG
LCD_VB
Digital Signal Process
101
94
REC_C_RF
REC_Y_RF
Q407
Q8401/Q8402
Q8404
Q8451
Q8452
32
30
REC-Y
REC-C
24
23
16
17
119
7
REC_AFM
Q7407
Q7406
Q7404
Q7401
Q6402
Q6404
Q6401
Q7455
Q7452/
Q7451
PB_RF_ENV.
PB_C_RF
PB_Y_RF
AGC_IN
PB_Y_FM
V_SIGNAL
CCD_OUT
35
IC201
Electric Zoom
IC202
Field Memory
A/D Converter
IC301
BUFFER
BUFFER
BUFFER
LPF
LPF
LPF
18 27
1 5, 8 12
10 13
15,16/18,19
21,22/24,25
27,28/30,31
2 7
39 44
BUFFER
115 126
56 71
134 141
144 151
154 161
165 172
38 53
129 140
FILTER
Kommentare zu diesen Handbüchern