Many
Manuals
search
Kategorien
Marken
Startseite
Sharp
Kamerarekorder
VL-A111S
Wartungshandbuch
Sharp VL-A111S Wartungshandbuch Seite 45
Herunterladen
Teilen
Teilen
Zu meinen Handbüchern hinzufügen
Drucken
Seite
/
96
Inhaltsverzeichnis
LESEZEICHEN
Bewertet
.
/ 5. Basierend auf
Kundenbewertungen
1
2
3
4
5
6
7
8
9
10
11
12
13
14
15
16
17
18
19
20
21
22
23
24
25
26
27
28
29
30
31
32
33
34
35
36
37
38
39
40
41
42
43
44
45
46
47
48
49
50
51
52
53
54
55
56
57
58
59
60
61
62
63
64
65
66
67
68
69
70
71
72
73
74
75
76
77
78
79
80
81
82
83
84
85
86
87
88
89
90
91
92
93
94
95
96
VL-A111S/H/E/AH131S/H/E
VL-AH151S/H/E
123456789
1
0
11
12
13
14
15
16
17
18
19
20
A
B
C
D
E
F
G
H
I
J
46~47
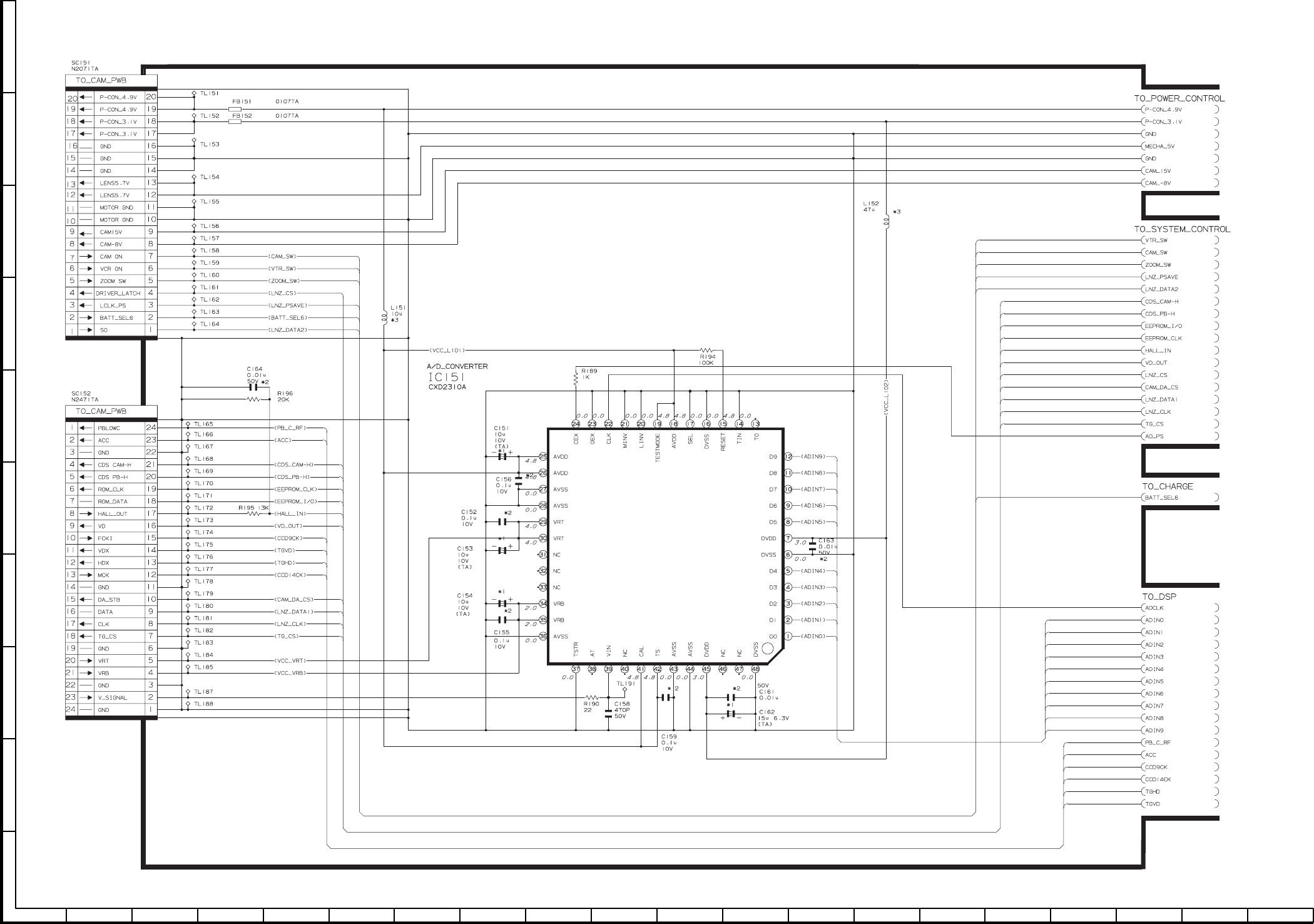
7-2. A/D_CONVERTER SCHEMATIC DIAGRAM
1
2
...
40
41
42
43
44
45
46
47
48
49
50
...
95
96
SERVICE MANUAL
1
1. SPECIFICATIONS
2
2. PART NAMES AND FUNCTION
3
3. DISASSEMBLY OF THE SET
4
LZ2423H5
9
4. MECHANISM ADJUSTMENT
10
4-2-2. Notes and cautions
11
Reel support surface
12
Rise waveform
14
REV OK Playback
14
REV NG Playback
14
4-4-4. Adjusting the Tu guide
15
4-5-1. Mechanism modes
16
4-5-2. Cassette control ass’y
17
4-5-4. Drum and Drum base
17
4-5-5. Phase matching
18
Insert the part in the rail
19
5-1. BEFORE ADJUSTMENT
21
PROM setting
21
5-3-4. Setting value
22
5-4. TEST mode
23
5-6. VCR section adjustments
23
<Extension Cable etc.>
24
5-6-3. VCR circuit adjustment
25
Standard value
26
5-7. CAM section adjustment
29
300±10mVp-p(75Ω terminal)
30
5-7-3-9. Color adjustsment
31
5-8. TROUBLE SHOOTING
32
5-8-3. Charging mode troubles
33
6. BLOCK DIAGRAMS
34
VL-A111S/H/E/AH131S/H/E
35
VL-AH151S/H/E
35
6-5. LENS DRIVE BLOCK DIAGRAM
42
- M E M O
43
7-5. AUDIO SCHEMATIC DIAGRAM
49
A111 A131
50
R4703 0 Ω NC
50
R4704 0 Ω NC
50
C705 NC 1000p
50
C707 NC 1000p
50
7-14. TG SCHEMATIC DIAGRAM
60
7-19. CCD SCHEMATIC DIAGRAM
65
VCR PWB Wiring Side SIDE A
67
VCR PWB Wiring Side SIDE B
69
ELECTRICAL PARTS LIST
77
PACKAGED CIRCUITS
78
COILS AND TRANSFORMER
78
CAPACITORS
79
RESISTORS
81
CABINET PARTS LIST
88
MECHANISM PARTS
88
CASSETTE HOUSING PARTS
89
CAMERA UNIT PARTS
89
(NOT REPLACEMENT ITEM)
90
CABINET EXPLODED VIEW
92
CAMERA UNIT EXPLODED VIEW
93
ALL RIGHTS RESERVED
96
Kommentare zu diesen Handbüchern
Keine Kommentare
Publish
Verwandte Produkte und Handbücher für Kamerarekorder Sharp VL-A111S
Kamerarekorder Sharp VL-NZ50U - MiniDV Compact Digital Viewcam Spezifikationen
(84 Seiten)
Kamerarekorder Sharp VL-AH131E Spezifikationen
(72 Seiten)
Kamerarekorder Sharp R-520E Spezifikationen
(136 Seiten)
Kamerarekorder Sharp VL-WD450U Spezifikationen
(120 Seiten)
Kamerarekorder Sharp VIEWCAM VL-A10H Spezifikationen
(63 Seiten)
Kamerarekorder Sharp VL-C650S Wartungshandbuch
(112 Seiten)
Kamerarekorder Sharp VN-EZ1U Spezifikationen
(49 Seiten)
Kamerarekorder Sharp VL-Z1U Wartungshandbuch
(129 Seiten)
Kamerarekorder Sharp VL-A111S Bedienungsanleitung
(67 Seiten)
Kamerarekorder Sharp VL-NZ50S Bedienungsanleitung
(72 Seiten)
Kamerarekorder Sharp VL-AH151S Bedienungsanleitung
(75 Seiten)
Kamerarekorder Sharp VL-AH131S Bedienungsanleitung
(67 Seiten)
Kamerarekorder Sharp VL-NZ100S Bedienungsanleitung
(96 Seiten)
Kamerarekorder Sharp DSR-PD150P Bedienungsanleitung
(172 Seiten)
Kamerarekorder Sharp VL-NZ100S Bedienungsanleitung
(91 Seiten)
Kamerarekorder Sharp VL-AH160U Bedienungsanleitung
(80 Seiten)
Kamerarekorder Sharp VL-AH130U Bedienungsanleitung
(72 Seiten)
Kamerarekorder Sharp VL-Z7U Bedienungsanleitung
(140 Seiten)
Kamerarekorder Sharp VL-Z400H-T Bedienungsanleitung
(123 Seiten)
Kamerarekorder Sharp SCL901 Bedienungsanleitung
(76 Seiten)
Dokument drucken
Seite drucken 45
Kommentare zu diesen Handbüchern