Sharp AL-2051 Wartungshandbuch Seite 123

  • Herunterladen
  • Zu meinen Handbüchern hinzufügen
  • Drucken
  • Seite
    / 139
  • Inhaltsverzeichnis
  • LESEZEICHEN
  • Bewertet. / 5. Basierend auf Kundenbewertungen
Seitenansicht 122
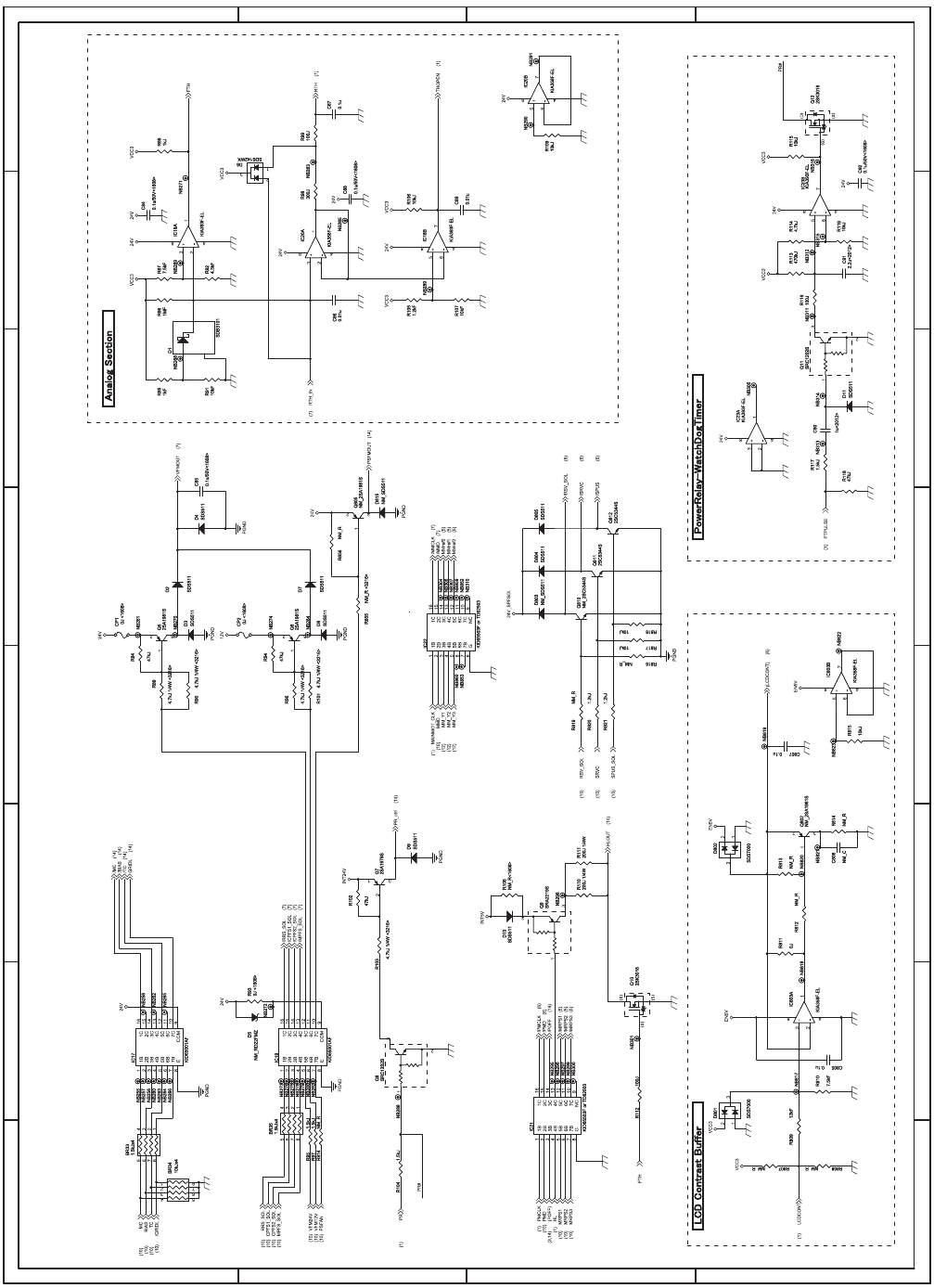
AL-2051 CIRCUIT DIAGRAM 13 - 4
O.C.output (HV control)
O.C.output (Solenoid/VFM/PR)
3.3V/5V family O.C.output (Main Mirror)
O.C.output (Polygon/SPF Motor/Heater control)
O.D.output (PR-WDT)
A
B
C
D
87654
3
21
12345678
D
C
B
A A
B
C
D
87654
3
21
12345678
D
C
B
A A
B
C
D
87654
3
21
12345678
D
C
B
A A
B
C
D
87654
3
21
12345678
D
C
B
A
4/14Driver section 1
Seitenansicht 122
1 2 ... 118 119 120 121 122 123 124 125 126 127 128 ... 138 139

Kommentare zu diesen Handbüchern

Keine Kommentare