
AR-FX12 ELECTRICAL SECTION 8-1
[8] ELECTRICAL SECTION
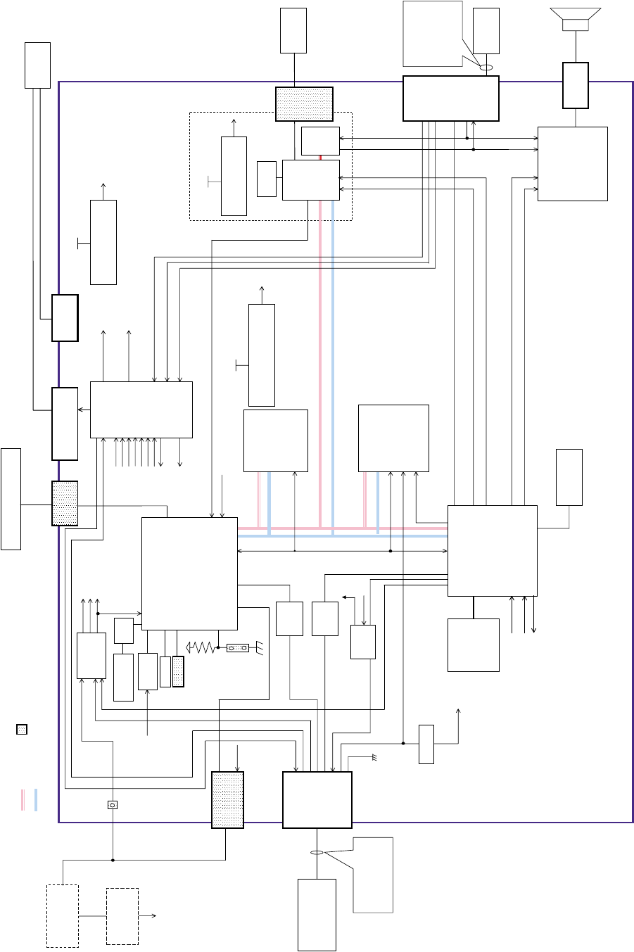
1. Block Diagram
32PIN
LEDX1
SP
CONNECTOR
CONNECTOR
POWER
CONNECTOR
RESET
circuit
NIGHT TIME FAX
POWER CONNECTOR
MODEM CIRCUIT
VOICE PATH
SWITCH CIRCUIT
SDRAM
(GA work memory)
TD62503
TEL/LIU
PWB UN
FAX
POWER
UNIT
CRYSTAL
OSCILLATOR
14.7456MHz
VOLTAGE REGULATOR
(CPU POWER1.8V)
2PIN
/6PIN
SIGTX
RD/WR-,WATT,BS,WEO,WE1-
CS0-,CS2,CS4-,CS5-,IRQ3-CKIO
To FAX G/A
/3PIN
Crystal Oscilator
(12.3678MHz)
CRYSTAL
OSCILLATOR
(24.576MHz)
MFP controller
(FAX I/F PWB)
/
26PIN
ROM Emulator
I/F PWB
/
36PIN
PARTNER-ET II
(ROM Emulator)
H-UDI
connector
for emulator
SIGRX,SIGTX
HS1-,HS2-,RHS,CI-,CID-
EXHS-,CION,MR,SCML
DP,RCVMUTE-,MICMUTE-
VRSEL1-,VRSEL2-,VRSEL3-
EC,CID-,FNETD-,TELID
+5V(F),+12V(F),+12VS(F)
GND(DG),GND(AG)
To FAX G/A
From RESET circuit
From NIGHT TIME FAX circuit
From
NIGHT TIME FAX
circuit
To NIGHT TIME FAX circuit
RES_MFP-,FAX_PWON
PRON_FAX-
CTS2,TXD2,RTS2,RXD2
CTS1,TXD1,RTS1,RXD1
FAX_VPP
To H-UDI CONNECTOR
for EMULATIONS
From
RESET
circuit
RESETP-
MWAIT-
CTS1,TXD1,RTS1
RXD1,CTS2,TXD2
RTS2,RXD2,FAX_RES-
RES_MFP-,MSW_OFF
VLED,FAX_VPP,CNCT_FAX-
FAX_PWON-,PRON_FAX-
DEBUG
MONITOR
CONNECTOR
FNETD-
RxD0,TxD0
PC for DEBUG
(DEBUG MONITOR TERMINAL)
/4PIN
+3.3(V),RxD0,TxD0,GND(DG)
BZ
SPSELA,SPELB,SPMUTE
VOLA,VOLB,VOLC
DP,S,CML,MR,RCVMUTE-,MICMUTE-,CION
EC,RHS,VRSEL1-,VRSEL2-,VRSEL3-
RESET1-,RESET
F-NETD-
CA[1:11]
CD[0:15]
IRQ0-
+5V(F)
+5V(F),+3.3 (F),+12V(F),GND(DG),GND(AG)
+12VS(F),GND(AGS),DCPR
RESET1-
VLED
MSW_OFF
For DEBUGGING(No memory)Address BUS
Data BUS
FAX_RES-
MANRES-
CNCT_FAX-
F-NETD-
SDRAM
(CPU WORK
MOMORY)
FLASH MEMORY
(PROGRAMU ROM)
CA[2:15]
CD[0:31]
CD[0:31]
CA[2:22]
IORES2-
MODEM
(DSP)
To FAX G/A,SERIAL
EEPROM
CS0-,RD-,WE0-
RESET
RESET-
RESET
RESET
From
RESET circuit
Connect
the ROM socket
SCIF2
RS-232
Transceiver
RS-232
Transceiver
MFP-I/F
connector
(All Signal)
CI-
MODEM
(AFE)
DCPR
FAX G/A
TEL/LIU
CONNECTOR
CS3-,RD/WE,CKIO,CKE
RAS3L-,CASL-,
WE0-,WE1-,WE2-,WE3-
1.8V generation
LEDX1
Serial
EEPROM
CPU
ROM_VPP
ROM_VPP
To CPU
From INVERTER
MWAIT
From FAX G/A
Frequency
diffusion
RESET-
MSW_OFF2
Inverter
PRON_FAX
+5VS(F)
FAX_PWON
PRON_FAX
To TD62503F
NIGHT TIME
FAX
CIRCUIT
PICVPP
PICCK
PICDI
PICDO
PICRES-
To CPU
From CPU
To CPU
+5V(F)
3.3V generation
3-PIN REGULATOR
(NIGHT TIME FAX POWER 5V)
+12VS(F)
5VS generation
3-PIN REGULATOR
(MODEM POWER 3.3V)
TPW1,2:
Power ON mode
Select pin
I pattern
MONITOR
CIRCUIT
I pattern
MONITOR
CONNECTOR
4PIN
CID-
FAXVPP
From MFPI/F CONNECTOR
FNETON-
CD[0:15]
CA[1:23]
From FAX G/A
From FAX G/A
From FAX G/A
From FAX G/A
SIGTX
IORES-
CS5-,RD
IOWR0-,IOWR1-
[08]ELECTRICALSECTION.fm 1 ページ 2004年10月26日 火曜日 午後3時46分
Kommentare zu diesen Handbüchern