
AR-FX8 MDMC PWB 2 - 16
R79
4.7kJ
R80
4.7kJ
C38
0.1uF
C137
0.1uF
C125
0.1uF
C102
0.1uF
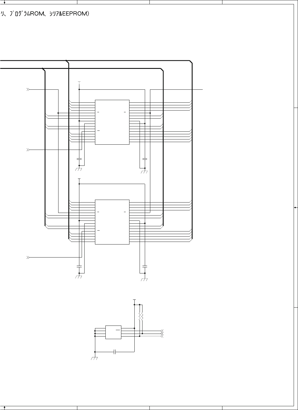
IC30
IC63LV1024
A0
1
A1
2
A2
3
A3
4
CE
5
I/O0
6
I/O1
7
VCC
8
GND
9
I/O2
10
I/O3
11
WE
12
A4
13
A5
14
A6
15
A7
16
A8
17
A9
18
A10
19
A11
20
VCC
24
A14
30
A15
31
A16
32
A12
21
I/O4
22
I/O5
23
GND
25
I/O6
26
I/O7
27
OE
28
A13
29
C123
0.1uF
IC26
IC63LV1024
A0
1
A1
2
A2
3
A3
4
CE
5
I/O0
6
I/O1
7
VCC
8
GND
9
I/O2
10
I/O3
11
WE
12
A4
13
A5
14
A6
15
A7
16
A8
17
A9
18
A10
19
A11
20
VCC
24
A14
30
A15
31
A16
32
A12
21
I/O4
22
I/O5
23
GND
25
I/O6
26
I/O7
27
OE
28
A13
29
IC13
CAT24WC02PI
E0
1
E1
2
E2
3
VSS
4
SDA
5
SCL
6
WC
7
VCC
8
CA3
CA17
CA4
CA2
CA8
CA7
CA12
CA13
CA11
CA16
CA9
CA14
CA15
CA6
CA1
CA10
CA5
CD0
CD1
CD2
CD3
CD7
CD6
CD5
CD4
CA6
CA9
CA13
CA12
CA8
CA17
CA16
CA1
CA7
CA11
CA3
CA5
CA10
CA15
CA14
CA2
CA4
CD8
CD9
CD10
CD11
CD15
CD14
CD13
CD12
RD-
+3.3V(F)
+3.3V(F)
+3.3V(F)
CS2-1
WE1-1,5
WE0-1,5
RESET 5,9
SCL 1
SDA 1
DG
DG
DG
DG
(1-4B)
-4B,5-6B)
1-4B,5-6B)
(7-6B)
(5-6B,9-1D)
(1-6C)
(1-6C)
DG
4
4
3
3
2
2
1
1
D
C
B
A
7/11
Kommentare zu diesen Handbüchern