
15-29
Chapter 15: Appendix
15
15-5 Parts needed to build a network
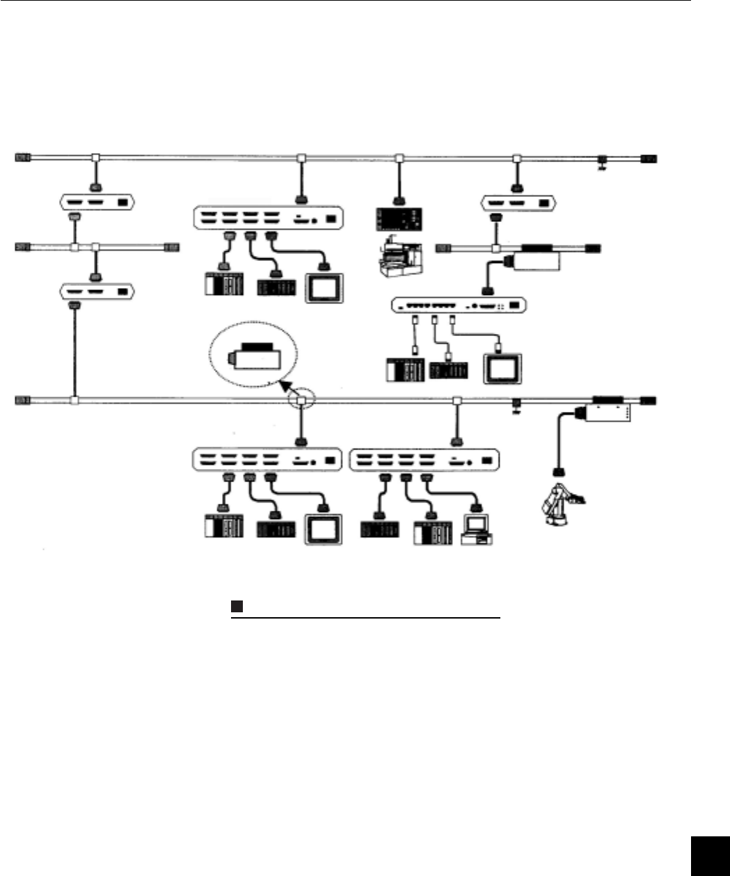
[1] Parts needed to configure an Ethernet
The parts needed to configure an Ethernet are shown below.
For details about these parts, see section [2] and [3].
Parts needed to construct an Ethernet
Multi-port
Transceiver
Transceiver cable
(AUI cable)
Multi-port
Coaxial cable
Ground
terminal
Repeater Repeater
Repeater
Transceiver
Transceiver
Single port
Transceiver cable
(AUI cable)
Single port
Transceiver
Ground
terminal
10BASE-T
HUB
Kommentare zu diesen Handbüchern