
AR-168N/168L DISASSEMBLY AND ASSEMBLY 8 - 8
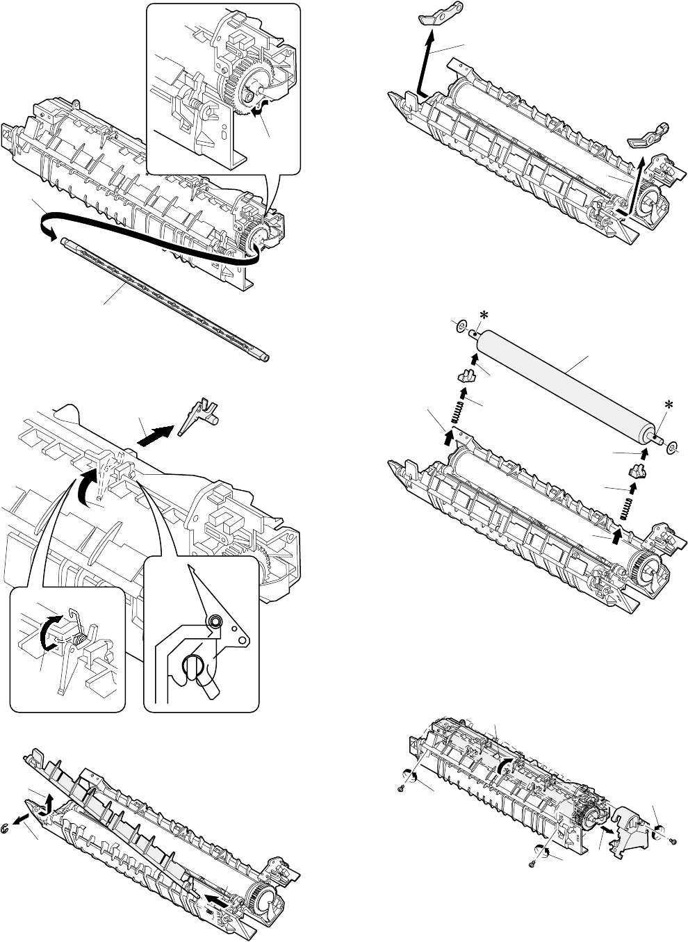
7) Remove the plate spring on the right and remove the heater lamp.
8) Remove the spring and remove the separation pawls (3 pcs.).
9) Remove the E-ring and remove the reverse gate.
10) Remove the pressure release levers on the right and the left sides.
11) Remove the pressure roller, the pressure bearing, and the spring.
Note: Apply grease to the sections specified with an asterisk (*).
Grease: “JFE552” UKOG-0235FCZZ
Heat roller disassembly
(Continued from procedure (4).)
5) Remove screws, remove the fusing cover, and open the heat roller
section.
1)
2)
Heater lamp
3)
1)
2)
2)
1)
3)
1)
1)
1)
2)
2)
1)
3)
3)
Pressure roller
1)
2)
2)
3)
3)
08_DISSASEMBLY.fm 8 ページ 2005年11月18日 金曜日 午後5時33分
Kommentare zu diesen Handbüchern